| Sign In | Join Free | My webtextiles.com |
|
Model Number : LKM Steel
Certification : LKM / YUDO Certification
Place of Origin : Made in China
Payment Terms : T/T
Supply Ability : 30 sets per month
Delivery Time : 5 weeks
Packaging Details : By crate
Brand Name : No Brand
MOQ : 1 pc
Mold No. : NTT-1622-5
Core& Cavity : H13
Mold Base : LKM
Mold : Single Cavity
Slide Action : 1
Injection System : Cold runner/ Edge gate
Lifetime : 800,000 shot
Color : Black, Blue
Shrinkage : 0.005''
H13 Precision Medical Injection Molding Smooth Handle Massage Product For PTSD
Produt Details:
| Resin: | 15% glass filled nylon |
| Shrinkage: | 1.005 |
| Core/ Cavity: | H13, HRC48-52 Steel |
| Injection System: | Cold runner, sub gate |
| Cavity Number: | Single |
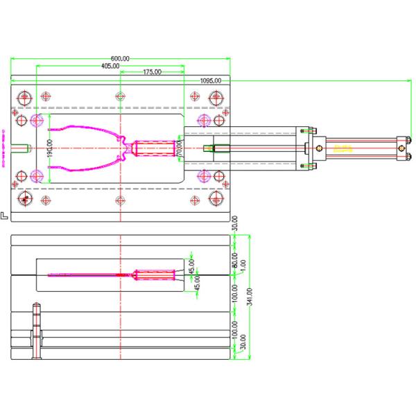
| Tool Size: | 350x600x340mm |
| Mold Life: | 800,000 cycles |
| Lead Time: | 6 weeks |
Design for Manufacturability:
3D drawing


Customer's feedback (Notes from DFM):
P3: 2d drawing: will send you drawing. No critical areas though.
P4: not a problem, we have been molding this part for 10 years in older mold
P5: draft on the arms ok. Put the draft in so the part arms get thicker, not thinner.
P6-7: Gates look fine
P8: Parting lines are good.
P9: Hydraulic core is OK.
P11-12: Ejectors look good
P13: Put a year/month marker in the center of the handle area. There is a rubber cover that goes on the handle will hide it after molding.
P14: Polished finish except for the handle area can be glass bead blasted
P19: Mold layout looks fine. Make sure to use English standards for hardware and add side locks on 3 sides. Also add legs on the side with the hydraulic cylinder as we will run with the cylinder pointed down in the machine.
The material will be ISO 1043: PA66 GF20 (the material will be generic brand 20% glass filled nylon 6/6). You can use .5% (.005” per inch) for the shrink rate based on our experience with this material. None of the dimensions on this part are super critical, so if the shrink ends up a little more or less, it won’t hurt us.
We may have you guys run this mold for a short production run before it ships.
Mold Pictures and Package


NTT Mould Co., Ltd. established in 2009 in Shenzhen of Guangdong, China, nearby of Hong Kong. We specialize in high-quality plastic injection molds, injection molding & part assemblies, also related value-adding services.
We have applied ISO9001 certification, we strictly comply with ISO 9001 on quality system to every process of design, production and inspection.
German Precision, American Service, Chinese prices...That's NTT
What NTT serve?
1. High quality & precision injection molds. Hot runner mold, over mold, two-shot mold, unscrewing mold, multi-cavity mold, etc.
2. Injection molding, part assemblies
3. Value-adding services: Die casting, Painting, Pad-printing, Silk-Screen Printing, Hot Stamping, Plating, Ultrasonic Welding, Automation.
4. Industries: Automotive, electronics, home & office appliances, medical, etc
5. Markets: 90% molds are exported to North America, South American, Europe and Australia.
| Software we use
| 3D Modeling: Pro/ENGINEER , SolidWorks, Unigraphics 2D Drawing: Auto-CAD, E-drawing |
| Qualified suppliers | Mold base and mold steel from LKM, ASSAB, THYSSEN and DAIDO Hot runner system from YUDO, MOLD-MASTER, HASCO, DME, HUSKY. |
| Molding Resin experience
| ABS, PC, PC+GF, PC/ABS, PBT, PA6+GF, PA66+GF, PPS, PU, PP, PE, TPE, TPU, LCP, Ultem, etc |
| Our capacity | Build 30 sets molds/month. |
| Minimum tolerance | 0.005mm |
How NTT follow your project?
If you make mold with us, our engineer will follow up your project from beginning to end:
1. Before mold build, a rough layout of the mold design (DFM) can be sent as a PPT format.
2. After you approve the DFM, we would give you a full detailed mold design in 2D and 3D drawing.
3. Once the mold design approved, we will start to build the mold strictly according to your requests.
Every week, we will send you weekly report with components (electrode, cavity, core, mold base) picture to show you the process of the project.
4. When we make T1 samples, we will make a video to you, and also send samples with molding report for your approval.
5. Only everything of the mold and sample is confirmed OK from your side, we will arrange the mold shipment and send you mold inspection report as well.
Why you choose NTT?
★ Precision Quality
Specialize in small& medium size molds.
The biggest we can do is about to 1400*1100*1000mm and weight of 10 tons.
Mold tolerance 0.005 mm, Product tolerance 0.05 mm
★ Excellent Service
Our project management team can communicate with customers directly in written and spoken English. Usually we will reply the emails the same day and send our offer in 1-2 working days.
★ Competitive Price
Good price with good quality. Our customers will always get what they pay for.
Where you can find NTT?
1. Our Address: Block A1, Xingfu Lantian Technology Zone, Tangxia Yong, SongGang Town, Bao'an District, Shenzhen Guangdong, China 518127
2. NPE 2018 May 07-11, 2018 at Orlando Florida, USA
|
|
H13 Precision Medical Injection Molding Smooth Handle Massage Product For PTSD Images |